ME437 Three-phase Power Meter Connectivity advantagesMODELME437-SDSupport Extra sensor333mV CT Rogowski coilProgrammable digital outputRelayI/O function1*digital outputPower85~265V AC/DCStorage1GB SD card(Max 4GB)(save intervals 1mins default)Feature SpecificationModelME437Product component typeMult......


| Connectivity advantages | |
| MODEL | ME437-SD |
| Support Extra sensor | 333mV CT Rogowski coil |
| Programmable digital output | Relay |
| I/O function | 1*digital output |
| Power | 85~265V AC/DC |
| Storage | 1GB SD card(Max 4GB) (save intervals 1mins default) |
| Specification | ||
| Model | ME437 | |
| Product component type | Multifunction power meter | |
| Poles description | 3PH4W 3PH3W 1PH2W (L-N); 1PH2W(L-L);1PH3W(L-L-N) | |
| Device application | Power analysis Energy meter | |
| Input type | External CT(333mV only) And External Rogowski coil | |
| Display | 35 inch TFT screen display | |
| Sampling rate | 8k samples per second | |
| Mounting mode | Panel mounting | |
| Harmonic | 52th Max | |
| Display characteristics | ||
| Feature | 3.5 Inch TFT screen display 320*480 | |
| Mechanical characteristics | ||
| Weight | 350g | |
| Dimension | L*W*D:96*96*99mm | |
| Maximum value measured | ||
| Parameter | Range | Resolution |
| Voltage | 0.001V 999.9V 999.9kV 999.9MV | 0.1 |
| Current | 999.9A 999.9kA | 0.1 |
| Power | 999.9kW 999.9MW | 0.1 |
| Power factor | 0.999 | 0.001 |
| THD | 99.9% | 0.1% |
| Energy | 999.9WH 999.9.KWH 999.9MWH 999.9GWH | 0.1KWH 0.01MKWH |
| Instantaneous rms Values | |
| Voltage | U,UTH2,UTH3,UTH4(Per Phase, AVG) |
| Current | I,ITHD2,ITHD3,ITHD4(Per Phase, AVG) |
| Power | P,FQ,S,PF(Per Phase, SUM) |
| Energy | EP,EFQ,ES,Freq(Per Phase, SUM) over 999.9MWh, value reset |
| UTHD(%) | UTHD,THD2,THD3,THD4(Per Phase, AVG) |
| ITHD(%) | ITHD,THD2,THD3,THD4(Per Phase, AVG) |
| DPF | DPFa,DPFb,DPFc, AVG |
| Update rate | |
| Data acquisition rate | 400ms |
| Display update rate | 0.5s |
| Calibration | |
| Current | Per phase, all |
| Voltage | Per phase, all |
| Power factor | Per phase, all |
| Energy | Reset to "0" EP,EQ,ES all phase |
| Pulse Output | |
| Pulse rate changeable by rated current | Rated current :100A/500A/1000A/5000A IMP/KWH :300/60/30/6 |
| Communication | |
| Transmission mode | RS485 port,Half duplex |
| RS485 link | 3 wires |
| Communication protocol | MODBUS RTU |
| Settings | |
| Communication address | 1 to 247 (default 1) |
| Baud rate(communication speed) | 1200 to 57600 baud (default 9600) |
| Parity | Even(default),Old,None |
| Data bit | 8 |
| Stop bit | 1 |
| Environmental conditions | ||
| Operating temperature | -25ºC to +55ºC | |
| Storage temperature | -40ºC to +85ºC | |
| Humidity rating | 5 to 95% RH at 50ºC(non-condensing) | |
| Pullution degree | 2 | |
| Overvoltage category | III,for distribution systems up to 277/480VAC | |
| Dielectric withstand | As per IEC61010-1, Doubled insulated front panel display | |
| Altitude | 3000m Max | |
| IP degree of protection | IP20 conforming to IEC 60629 | |
| Colour | White | |
| Contractual warranty | 12months | |
| EMC | ||
| Electrostatic discharge | Level IV(IEC61000-4-2) | |
| Immunity to radiated fields | Level III (IEC61000-4-3) | |
| Immunity to fast transients | Level IV (IEC61000-4-4) | |
| Immunity to surge | Level IV (IEC61000-4-5) | |
| Conducted immunity | Level III (IEC61000-4-6) | |
| Immunity to power frequency magnetic fields | 0.5mT (IEC61000-4-8) | |
| Conducted and radiated emissions | Class B (EN55022 ) | |
| Standard compliance | ||
| EN 62052-11,EN61557-12,EN 62053-21,EN 62053-22,EN 62053-23,EN 50470-1,EN 50470-3, EN 61010-1,EN 61010-2,EN 61010-031 | ||
| Measurement accuracy | |||
| Current | 0.5% from 1% to 120%(don't ensure accuracy when <10A) | ||
| Rated current | 500A(0.5% from 10A to 600A) 3000A(0.5% from 30A to 3600A) 10kA(0.5% from 100A to 12kA) | ||
| Rogwoski coil specification | 100A | MRC-16 | |
| 600A | MRC-36 | ||
| 1000A | Y-FCT-200 or Y-FCT-350 or NRC-100 | ||
| 3000A | NRC-150 or Y-FCT-510 | ||
| 6000A | NRC-200 or Y-FCT-800 | ||
| Voltage | 0.2% from 80V to 400V(or 100 to 500V) | ||
| Power factor | ±0.005 from 10% to 120% | ||
| Active/Apparent Power | IEC62053-22 Class 0.5 | ||
| Reactive power | IEC62053-21 Class 2 | ||
| Frequency | 0.01% from 45 to 65Hz | ||
| Active energy | IEC62053-22 Class 0.5s | ||
| Reactive energy | IEC62053-21 Class 2 | ||
| Measurement arrange | |||
| Measured voltage | 80V to 400V AC(or 100 to 500V) | ||
| Frequency range | 50/60Hz | ||
| Input-current characteristics | |||
| Primary current range | 100A | 0.5A to 120A | |
| 600A | 0.5A to 720A | ||
| 1kA | 1A to 1200A | ||
| 3kA | 3A to 3600A | ||
| 6kA | 6A to 7200A | ||
| Measurement input range | 1/225mV-333mV | ||
| Permissible overload | 600mV for 10s/hours | ||
| Control Power | |
| AC/DC | 85 to 265V AC/DC, 3.5W |
| Output | |
| Digital output | 1×digital output(2 ports) from 1pcs relay,rated 24V/800mA, 75mΩmax, 2.5kVrms insulation(controlled by Modbus) Maximum Switching Power : 0.5A, 125VAC 1A, 30VDC |
| Wire diameter for terminals | |
| Connections-terminals | Screw terminals 2.5mm2,interval 5.08mm |
| Alarm | |
| Setting | U and I Each phase,AVG |
| Output form | Relay |
| Record | |
| Record interval | 1s to 9999s(default 1min) |
| Record format | csv |
| Record capacity | Micro SD card 1GB(default) |
| Store about 1K Bytes data each time | |
| record 2 years (1min & 1GB) | |
| Record data | Date&time, Voltage(V),UTHD(%),Current(A),ITHD (%), ITHD3(%),ITHD5(%), ITHD7(%), ITHD11(%), ITHD13(%), ITHD3(A), ITHD5(A), ITHD7(A), ITHD11(A), ITHD13(A) Frequency(Hz), PF(power factor), Active Power(W),Reactive Power(Var),Apparent Power(Va), Active Energy(Wh),Reactive Energy(Varh),Apparent Energy(Vah) Current Demand(A),Current Peak Demand(A)&Date Total Active Power Deamnd(W) Total Active Power Peak Deamnd(W)&Date Total Reactive Power Deamnd(W) Total Reactive Power Peak Deamnd(W)&Date Total Apparent Power Deamnd(W) Total Apparent Power Peak Deamnd(W)&Date |
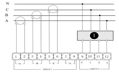
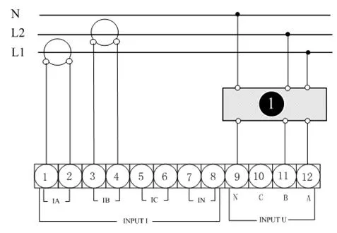
| 3PH4W no VT |

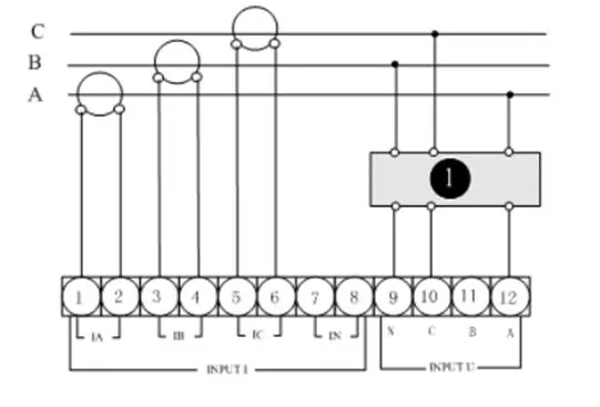
| 3PH3W no VT |

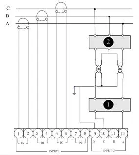
| 3PH3W with VT |

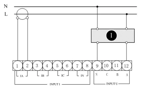
| 1PH2W L-N |

| 1PH2W L-L |

| 1PH3W L-L-N |





PMC-230 DIN Rail Single-Phase Multifunction Meter for Power kWh Measurement with Maximum Demands 4 Tariffs
95% Maximum Humidity Bluetooth Meter for School Building
IEC 62053-21 Good Price Maximum Demand Insulating-Encased Meter
High Accuracy 0.01% Three Phase Meter Test Bench
Andeli Electronic Meter Adm65s 5-30A
Andeli Adm100tc 1.5-6A Three Phase Energy Meter