PRODUCT INFORMATIONDTS-4 Series three phase electronic four wire electronic energy meter is a kind of new style three phase four wire active energy meter. It adopt stable performance,low power consumption of industrial components, use the process carefully design and manufacture.SPECIFICATIONS| Applicable Standard | IEC 62052-11 and IEC 62053-21 |
| Accuracy | Class1/2 |
| Voltage | 3P4W: 3×220/380V 3P3W: 3×57.7/100V,3×380V,3×100V |
| Current | 1.5(6)A,3(6)A,5(20)A,10(40)A,15(60)A,20(80)A,30(100)A ETC. |
| Frequency | 50Hz or 60Hz |
| Display | Register 5 integer plus 1 decimal, 20(80)A,30(100)A 6 integer LCD 5 integer plus 1 decimal digital number |
*For special requirements, such as Anti tamper,RS485,IR etc.,it is to be discussed for settlement.DIMENSIONS

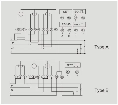
WIRING DIAGRAM
APPEARANCE

PACKING
ABOUT TAINIHANYueqing Tainihan Electrical Technology CO.,Ltd is located in Xiangyang industrial zone, liushi town,Yueqing City, Zhejiang province, China, which focus on electronic and electro-mechanical meter.
The company is a diversified enterprise integrates development, design, production and marketing together. Driven by innovation, Tainihan keeps perfecting existing products and developing new product lines. We have developed a front board installed energy meter, an inserting installed energy meter a DIN-rail installed energy meter, According to meter functions, there are munti-functional energy meters, multi-rate energy meters, electric power line carrier wave energy meters, network energy meters, and multi-user energy meters in our product range. Our products has attained CE certification with superior quality are popular in the global market.
Our company posses high accuracy special device, advance technology, laborious workmanship and various styles. We also have rights for import and export, our products are widely sold well to southeast Asia, Middle East, South America and other areas.
We believe that our company will be more powerful and far better by your support!
COMPANY APPEARANCE
OFFICE & WORKSHOP